| штат: | |
|---|---|
| Количество: | |
HAN-201
MICC
1. Введение
Машина для снятия изоляции с металлической сетки представляет собой настольное устройство переменного тока с пневматическим наддувом для обеспечения стабильного и регулируемого давления во время работы. В главной цепи используется управление SCR, время сжатия, рабочий ток, время включения, время обслуживания, стабильная и регулируемая, надежная работа. Подходит для снятия изоляции специальными электродами для снятия изоляции.
Основные технические параметры машины
Модель | HAN-201 |
Номинальная мощность | 6кВА |
Номинальное напряжение | 220 В, 50 Гц, однофазный |
Электрод сила | (Макс): 210 кгс |
Стравить давление | 0,5 МПа |
Вес | 65 кг |
2. Краткое описание конструкции оборудования
Оборудование в основном состоит из фюзеляжа, механизма давления, трансформатора, цепи верхнего и нижнего электродов, специальной оснастки для снятия изоляции и электрического управления. Фюзеляж изогнут и сварен стальными пластинами и прикреплен к рабочей поверхности. Герметичная часть состоит из цилиндра, направляющего вала, направляющей втулки и других деталей. Седло цилиндра напрямую соединено с фюзеляжем с отверстием для смазочного масла на передней части. для обеспечения гибкости поршневого вала в движении. Верхний и нижний медные патроны служат зажимными элементами для верхних и нижних электродных цепей и электродных рычагов, а вместе с верхним и нижним стальными зажимными патронами составляют сварочную цепь для выполнения необходимых функции работы.
3.Установка и работа
3.1 Установка
3.1.1 Машина устанавливается в сухом цехе с низким уровнем запыленности, при этом в машину не может попадать вода.
3.1.2 Используйте отдельный провод заземления для подключения к болту заземления устройства, чтобы обеспечить надежное заземление корпуса.
3.1.3 Подключите прибор к сети 220 В.
3.1.4 Сжатый воздух подключается к процессору источника газа через общую газовую трубу, а давление источника воздуха составляет 0,5 МПа.
3.2 Эксплуатация
3.2.1 Включите переключатель для подачи питания на оборудование, подключите цепь управления и убедитесь, что цепь в норме, после чего можно запустить и отладить.
3.2.2 Регулировка электродов: электроды из разных материалов подбираются в соответствии с материалами деталей сварочного аппарата. Конец электрода является плато, а размер электрода выбирается в зависимости от свариваемой детали. Контакт электрода отполирован наждачной бумагой.
3.2.3 Регулировка давления электрода: отрегулируйте расстояние между электродами до 15 мм, что является стандартным ходом оборудования. Чтобы увеличить давление электрода, просто отрегулируйте регулятор в процессоре переднего источника воздуха фюзеляжа.
3.2.4 Включите выключатель питания, затем включите контрольный выключатель питания, и загорится индикатор питания.
3.2.5 Эксплуатация: Поместите заготовку между двумя электродами и нажмите на педаль, чтобы завершить сварку.
3.2.6 Когда оборудование закончено, сначала выключите источник питания, затем выключите выключатель питания и выключите выключатель источника газа.
4.Инструкции по контроллеру и панели
4.1 Введение в функции
4.1.1 Функция автоматической компенсации напряжения: контроль постоянного напряжения. Сравнивая выборку первичного напряжения трансформатора с заданным значением, угол сдвига фаз автоматически изменяется, чтобы поддерживать постоянное первичное напряжение, и изменение напряжения сети может быть компенсировано.
4.1.2 Функция отображения напряжения: во время работы значение первичного напряжения трансформатора может отображаться напрямую.
4.2 Основные технические параметры
Программа | Параметры |
Рабочая среда | Температура≤45 ℃;Влажность≤85%(Без капли росы) ; Нет сильного магнитного поля;Без сильной вибрации и ударов;Некоррозионные и проводящие газы |
Источник питания | Однофазный 220-420 В переменного тока,50 Гц ± 5% |
Возможности привода | SCR (модуль),Номинальный ток≤2000A |
Вывод движения | Набор вывода,Емкость: DC24V / 150mA |
Потребляемая мощность | ≤15 Вт |
Автоматическая компенсация сетевого напряжения | Когда напряжение источника питания изменяется до номинального значения от + 15% до -25%, выходное напряжение изменяется на ≤ 2%. |
Частота дискретизации | 0,5 цикла |
Скорость реакции управления | 1 цикл |
4.3 Использование и работа
(1)Настройка параметров меню первого уровня
Контроллер имеет параметры \"предварительная нагрузка \", \"нагрев \", \"время \", \"обслуживание \" и
\"отдых \", которые должны быть установлены пользователями. Ниже приведены значения:
Имя параметра | Диапазон настройки | Описание функции |
Предварительная загрузка | 0-250 цикл | \"время предварительной загрузки \":Система запускается, главный клапан перемещается, электрод начинает двигаться к заготовке, чтобы создать давление для вывода времени сварочного тока. |
Высокая температура | 0-450 В | Калорийность работы |
Time | 0-250 цикл | \"Рабочие часы\":Продолжительность тока на заготовке |
Обслуживание | 0-250 цикл | \"Время обслуживания \":После отключения тока электрод продолжает поддерживать давление на заготовку в течение определенного периода времени. Пора закрыть главный воздушный клапан |
Отдых | 0-250 цикл | \"Время отдыха\":Установите 0 для однопроходной сварки.;Непрерывная работа, если не установлено на 0;При непрерывной работе это значение представляет собой временной интервал между двумя рабочими процессами. |
Метод установки:
1. Нажмите кнопку «работа / установка», чтобы загорелся индикатор «установка», чтобы контроллер перешел в установленное состояние.
2. Нажмите кнопку ►, чтобы выбрать параметр, будет выбран световой индикатор, соответствующий текущему параметру, затем значение параметра будет установлено с помощью кнопки + -, и его значение отобразится в окне.
(2)Настройка параметров меню второго уровня
Нажмите и удерживайте кнопку ►, чтобы войти в дополнительное меню, затем нажмите кнопку ►, чтобы отобразить параметр P и биты пароля. Как показано в следующей таблице:
Имя параметра | Показать код | Установить значение | Описание функции | |
Выбор режима запуска | P | 0 | Привод импульсного сигнала, дребезг (для педального переключателя) | |
1 | Активация импульсного сигнала, быстрая реакция (для механических контактов) | |||
2 | Запуск сигнала переключения | |||
биты пароля | 1 | Заблокировать параметры меню второго уровня | ||
4 | AC | 0 | Режим постоянного напряжения (заводская установка 0) | |
1 | Постоянный тепловой режим | |||
Объявление | 0-9 | Тепловая обрезка: чем больше значение настройки, тем больше настройка. При значении 0 регулировка невозможна (заводская установка 3). | ||
5 | T | 0 | При появлении сообщения об ошибке немедленно прервите текущую спецификацию и включите ножной переключатель, чтобы продолжить работу (заводская установка - 0) | |
1 | Когда появляется сообщение об ошибке, текущая спецификация немедленно прекращается. Вам нужно нажать кнопку \"Работа / Установить \", чтобы очистить сообщение об ошибке, прежде чем вы сможете включить педаль для продолжения работы. | |||
2 | Закрыть сообщение об ошибке | |||
Совет: Если в этом нет особой необходимости, вообще нелегко войти во второстепенное меню, чтобы не путаться с настройками системы!
(3)Механическая регулировка
1. Нажмите кнопку «настроить / работать», чтобы загорелся индикатор настройки.
2. Нажмите кнопку \"set / work \", чтобы загорелся индикатор работы.
3. Когда педаль активирована, контроллер имеет только выход действия и не имеет выхода тока. В настоящее время он используется в качестве механической регулировки, чтобы проверить, нормально ли работает устройство.
(4)Сварка
Когда параметры установлены и настроены правильно, можно приступать к работе. Метод выглядит следующим образом:
1. Нажмите кнопку «Настройка / работа», чтобы загорелся индикатор сварки.
2. Нажмите кнопку \"set / work \", чтобы загорелся индикатор работы.
3. Поместите заготовку между электродами, включите педаль и сварите.
Примечание: После завершения работы в окне отображается последнее значение сварочного напряжения.
4.4 Схема работы
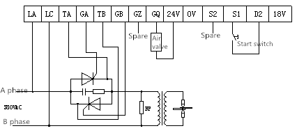
4.5 Эталонная электрическая схема
Запись:
1. Строго соблюдайте схему подключения! Если токовый выход отсутствует или во время работы появляется Er02, контакты питания LA и LC можно поменять местами.
2. Источник питания клапана составляет 24 В постоянного тока, а мощность должна быть менее 3,6 Вт, в противном случае необходимо подключить внешний источник питания и промежуточное реле 24 В.
4.6 Сообщение об ошибке
E r 0 1: Когда контроллер не имеет выхода, он обнаруживает, что тиристорная одиночная или двойная лампа проводит ток; проверьте, не поврежден ли тиристор и исправна ли проводка.
E r 0 2: Когда контроллер выводит сигнал, он обнаруживает отключение одиночной или двойной трубки тиристора; проверьте, не поврежден ли тиристор и исправна ли проводка.
5. Неисправности и причины
5.1 Жарка во время работы: Очистите кончик электрода мелкой абразивной тканью. Поверхность заготовки очищена от масла и ржавчины. Две стороны плотно прилегают, зазоров нет. Если пожар все еще продолжается, соответственно увеличьте сварочное давление.
5.2 После длительного использования обнаруживается, что рабочий ток снижается: загните несколько стыков вторичной обмотки трансформатора к электроду, снова подсоедините и затяните.
5.3 После длительного использования рабочий ток снижается: это может быть результатом намагничивания постоянного тока трансформатора. Можно регулярно менять основные две головки.
6. обслуживание оборудования
6.1 Выключайте питание, когда оборудование не используется.
6.2 Корпус оборудования должен быть надежно заземлен.
6.3 На направляющую стойку оборудования и направляющую стойку необходимо часто добавлять масло.
6.4 Если контакты контактора сильно окислены, замените контакты.
1. Введение
Машина для снятия изоляции с металлической сетки представляет собой настольное устройство переменного тока с пневматическим наддувом для обеспечения стабильного и регулируемого давления во время работы. В главной цепи используется управление SCR, время сжатия, рабочий ток, время включения, время обслуживания, стабильная и регулируемая, надежная работа. Подходит для снятия изоляции специальными электродами для снятия изоляции.
Основные технические параметры машины
Модель | HAN-201 |
Номинальная мощность | 6кВА |
Номинальное напряжение | 220 В, 50 Гц, однофазный |
Электрод сила | (Макс): 210 кгс |
Стравить давление | 0,5 МПа |
Вес | 65 кг |
2. Краткое описание конструкции оборудования
Оборудование в основном состоит из фюзеляжа, механизма давления, трансформатора, цепи верхнего и нижнего электродов, специальной оснастки для снятия изоляции и электрического управления. Фюзеляж изогнут и сварен стальными пластинами и прикреплен к рабочей поверхности. Герметичная часть состоит из цилиндра, направляющего вала, направляющей втулки и других деталей. Седло цилиндра напрямую соединено с фюзеляжем с отверстием для смазочного масла на передней части. для обеспечения гибкости поршневого вала в движении. Верхний и нижний медные патроны служат зажимными элементами для верхних и нижних электродных цепей и электродных рычагов, а вместе с верхним и нижним стальными зажимными патронами составляют сварочную цепь для выполнения необходимых функции работы.
3.Установка и работа
3.1 Установка
3.1.1 Машина устанавливается в сухом цехе с низким уровнем запыленности, при этом в машину не может попадать вода.
3.1.2 Используйте отдельный провод заземления для подключения к болту заземления устройства, чтобы обеспечить надежное заземление корпуса.
3.1.3 Подключите прибор к сети 220 В.
3.1.4 Сжатый воздух подключается к процессору источника газа через общую газовую трубу, а давление источника воздуха составляет 0,5 МПа.
3.2 Эксплуатация
3.2.1 Включите переключатель для подачи питания на оборудование, подключите цепь управления и убедитесь, что цепь в норме, после чего можно запустить и отладить.
3.2.2 Регулировка электродов: электроды из разных материалов подбираются в соответствии с материалами деталей сварочного аппарата. Конец электрода является плато, а размер электрода выбирается в зависимости от свариваемой детали. Контакт электрода отполирован наждачной бумагой.
3.2.3 Регулировка давления электрода: отрегулируйте расстояние между электродами до 15 мм, что является стандартным ходом оборудования. Чтобы увеличить давление электрода, просто отрегулируйте регулятор в процессоре переднего источника воздуха фюзеляжа.
3.2.4 Включите выключатель питания, затем включите контрольный выключатель питания, и загорится индикатор питания.
3.2.5 Эксплуатация: Поместите заготовку между двумя электродами и нажмите на педаль, чтобы завершить сварку.
3.2.6 Когда оборудование закончено, сначала выключите источник питания, затем выключите выключатель питания и выключите выключатель источника газа.
4.Инструкции по контроллеру и панели
4.1 Введение в функции
4.1.1 Функция автоматической компенсации напряжения: контроль постоянного напряжения. Сравнивая выборку первичного напряжения трансформатора с заданным значением, угол сдвига фаз автоматически изменяется, чтобы поддерживать постоянное первичное напряжение, и изменение напряжения сети может быть компенсировано.
4.1.2 Функция отображения напряжения: во время работы значение первичного напряжения трансформатора может отображаться напрямую.
4.2 Основные технические параметры
Программа | Параметры |
Рабочая среда | Температура≤45 ℃;Влажность≤85%(Без капли росы) ; Нет сильного магнитного поля;Без сильной вибрации и ударов;Некоррозионные и проводящие газы |
Источник питания | Однофазный 220-420 В переменного тока,50 Гц ± 5% |
Возможности привода | SCR (модуль),Номинальный ток≤2000A |
Вывод движения | Набор вывода,Емкость: DC24V / 150mA |
Потребляемая мощность | ≤15 Вт |
Автоматическая компенсация сетевого напряжения | Когда напряжение источника питания изменяется до номинального значения от + 15% до -25%, выходное напряжение изменяется на ≤ 2%. |
Частота дискретизации | 0,5 цикла |
Скорость реакции управления | 1 цикл |
4.3 Использование и работа
(1)Настройка параметров меню первого уровня
Контроллер имеет параметры \"предварительная нагрузка \", \"нагрев \", \"время \", \"обслуживание \" и
\"отдых \", которые должны быть установлены пользователями. Ниже приведены значения:
Имя параметра | Диапазон настройки | Описание функции |
Предварительная загрузка | 0-250 цикл | \"время предварительной загрузки \":Система запускается, главный клапан перемещается, электрод начинает двигаться к заготовке, чтобы создать давление для вывода времени сварочного тока. |
Высокая температура | 0-450 В | Калорийность работы |
Time | 0-250 цикл | \"Рабочие часы\":Продолжительность тока на заготовке |
Обслуживание | 0-250 цикл | \"Время обслуживания \":После отключения тока электрод продолжает поддерживать давление на заготовку в течение определенного периода времени. Пора закрыть главный воздушный клапан |
Отдых | 0-250 цикл | \"Время отдыха\":Установите 0 для однопроходной сварки.;Непрерывная работа, если не установлено на 0;При непрерывной работе это значение представляет собой временной интервал между двумя рабочими процессами. |
Метод установки:
1. Нажмите кнопку «работа / установка», чтобы загорелся индикатор «установка», чтобы контроллер перешел в установленное состояние.
2. Нажмите кнопку ►, чтобы выбрать параметр, будет выбран световой индикатор, соответствующий текущему параметру, затем значение параметра будет установлено с помощью кнопки + -, и его значение отобразится в окне.
(2)Настройка параметров меню второго уровня
Нажмите и удерживайте кнопку ►, чтобы войти в дополнительное меню, затем нажмите кнопку ►, чтобы отобразить параметр P и биты пароля. Как показано в следующей таблице:
Имя параметра | Показать код | Установить значение | Описание функции | |
Выбор режима запуска | P | 0 | Привод импульсного сигнала, дребезг (для педального переключателя) | |
1 | Активация импульсного сигнала, быстрая реакция (для механических контактов) | |||
2 | Запуск сигнала переключения | |||
биты пароля | 1 | Заблокировать параметры меню второго уровня | ||
4 | AC | 0 | Режим постоянного напряжения (заводская установка 0) | |
1 | Постоянный тепловой режим | |||
Объявление | 0-9 | Тепловая обрезка: чем больше значение настройки, тем больше настройка. При значении 0 регулировка невозможна (заводская установка 3). | ||
5 | T | 0 | При появлении сообщения об ошибке немедленно прервите текущую спецификацию и включите ножной переключатель, чтобы продолжить работу (заводская установка - 0) | |
1 | Когда появляется сообщение об ошибке, текущая спецификация немедленно прекращается. Вам нужно нажать кнопку \"Работа / Установить \", чтобы очистить сообщение об ошибке, прежде чем вы сможете включить педаль для продолжения работы. | |||
2 | Закрыть сообщение об ошибке | |||
Совет: Если в этом нет особой необходимости, вообще нелегко войти во второстепенное меню, чтобы не путаться с настройками системы!
(3)Механическая регулировка
1. Нажмите кнопку «настроить / работать», чтобы загорелся индикатор настройки.
2. Нажмите кнопку \"set / work \", чтобы загорелся индикатор работы.
3. Когда педаль активирована, контроллер имеет только выход действия и не имеет выхода тока. В настоящее время он используется в качестве механической регулировки, чтобы проверить, нормально ли работает устройство.
(4)Сварка
Когда параметры установлены и настроены правильно, можно приступать к работе. Метод выглядит следующим образом:
1. Нажмите кнопку «Настройка / работа», чтобы загорелся индикатор сварки.
2. Нажмите кнопку \"set / work \", чтобы загорелся индикатор работы.
3. Поместите заготовку между электродами, включите педаль и сварите.
Примечание: После завершения работы в окне отображается последнее значение сварочного напряжения.
4.4 Схема работы
4.5 Эталонная электрическая схема
Запись:
1. Строго соблюдайте схему подключения! Если токовый выход отсутствует или во время работы появляется Er02, контакты питания LA и LC можно поменять местами.
2. Источник питания клапана составляет 24 В постоянного тока, а мощность должна быть менее 3,6 Вт, в противном случае необходимо подключить внешний источник питания и промежуточное реле 24 В.
4.6 Сообщение об ошибке
E r 0 1: Когда контроллер не имеет выхода, он обнаруживает, что тиристорная одиночная или двойная лампа проводит ток; проверьте, не поврежден ли тиристор и исправна ли проводка.
E r 0 2: Когда контроллер выводит сигнал, он обнаруживает отключение одиночной или двойной трубки тиристора; проверьте, не поврежден ли тиристор и исправна ли проводка.
5. Неисправности и причины
5.1 Жарка во время работы: Очистите кончик электрода мелкой абразивной тканью. Поверхность заготовки очищена от масла и ржавчины. Две стороны плотно прилегают, зазоров нет. Если пожар все еще продолжается, соответственно увеличьте сварочное давление.
5.2 После длительного использования обнаруживается, что рабочий ток снижается: загните несколько стыков вторичной обмотки трансформатора к электроду, снова подсоедините и затяните.
5.3 После длительного использования рабочий ток снижается: это может быть результатом намагничивания постоянного тока трансформатора. Можно регулярно менять основные две головки.
6. обслуживание оборудования
6.1 Выключайте питание, когда оборудование не используется.
6.2 Корпус оборудования должен быть надежно заземлен.
6.3 На направляющую стойку оборудования и направляющую стойку необходимо часто добавлять масло.
6.4 Если контакты контактора сильно окислены, замените контакты.